휴대용 160W 충전기를 만들어 봅니다
그런데! 160W를 감당하는 Li-ion 배터리를 구성하는 건 간단치 않습니다.
혹시나 폭탄을 만들 수도 있고, Kit 제품도 싸지 않습니다.
그런데 집에 굴러 다니는 DEWALT 20V battery 팩이 있습니다. 원래 전동 드라이버, 커터용 이기는 하지만 집안일 + DIY용으로 간혹 사용하고, 쉬고 있는 시간이 더 많은 게 현실입니다😀.
놀고 있는 DEWALT 20V battery를 열일 하게 만들어 봅니다
DEWALT 정품 배터리 기준으로 20V 1.5A 급에서 큰 용량은 5A 급도 판매 중입니다.
Aliexpress에서는 호환품으로 6A 도 판매 중이죠 - 다만 실 용량은 50% 수준인 3A로 확인이 됩니다.
그래도 쓸만한 용량이고(가격도 절반 용량에 합당) 더욱이 배터리팩 case도 따로 팔기에 나중에 직접 고용량 배터리로 구성할 수도 있습니다.
미리 소개하는 최종 완성품 모습

구성품: 배터리팩 + 배터리팩용 전원 어댑터 + 차량용 충전기 + 시거잭 + 보호회로
배터리팩: DEWALT 20V max 배터리 팩을 그대로 사용 (완성품)
전원 어댑터: DEWALT 배터리팩에 바로 결합하여 전원을 연결할 수 있는 부품 (완성품 활용)
차량용 충전기: BASEUS 160W (100+30+30) 충전기 사용 (완성품)
시거잭: 차량용 충전기를 꽂을 수 있도록 연결하는 부품 (부품)
보호회로: LM393 Comparator와 관련 회로(직접 구성 or Kit 구매 가능)
+ 고용량 Latching relay- HFE10-2-12HT-L2 (외부 스위치/2 Coil 구성 부품 구매)
나름 핵심 부품인 DEWALT용 전원 어댑터


보호회로 필요한 이유, 구성
Li-ion 배터리는 일정 수준 전압 이하로 내려가면 더 이상 충전이 되지 않습니다. 그래서 cut-off 처리가 되어야 하는데요, 적어도 DEWALT 배터리 팩은 스스로 cut-off 해 주지 않습니다. 이 회로를 구성하려면 비교적 비싼 부품이 추가되어야 해서 보통 본체(전동공구 혹은 배터리팩 이용 장비들)에서 15.3V 기준으로 cut-off 됩니다. 5개 직렬 기준으로 단일 Cell 기준 3.05V 에서 off 된다고 생각할 수 있습니다.
그래서 15.3V 기준으로 전원을 끊어 주어야 하는 회로가 필요합니다. 보통 Op-Amp를 이용하고 이러한 부품이 완성 부품으로 구매가 가능합니다. "LM393 relay"로 검색하면 기성품으로 구매 가능 합니다.
다만 저는 집에 굴러 다니는 LM393과 주변 부품이 있어 직접 만들기로 했습니다. (부품이 없었다면 기성품을 구매해서 조합했겠지만, 이전 기성품 구입 경험에 의하면 - 배터리 전원 완전 off에는 적절하지 않은 구성과 용량 부족으로 인해 2% 부족)
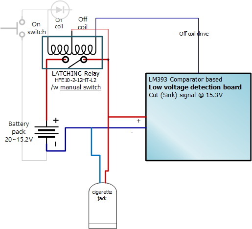
전체 구상
배터리팩 +전원 단자는 Latching relay를 통해서 시거잭과 보호회로 전원을 공급합니다.
이 relay는 외부 스위치가 있어 On은 사용자가 직접 동작을 하면 OK입니다.
그리고 전원 보호 회로에서 일정 수준 전압이 낮아지면 off coil drive 쪽이 GND로 연결되어 relay 스위치를 off로 동작하고, 그와 동시에 모든 전원은 물리적으로 끊어지게 됩니다. 즉 배터리 팩은 1uA 조차도 외부로 전류가 소모되지 않게 됩니다.

LM393(Comparator) 회로 구성
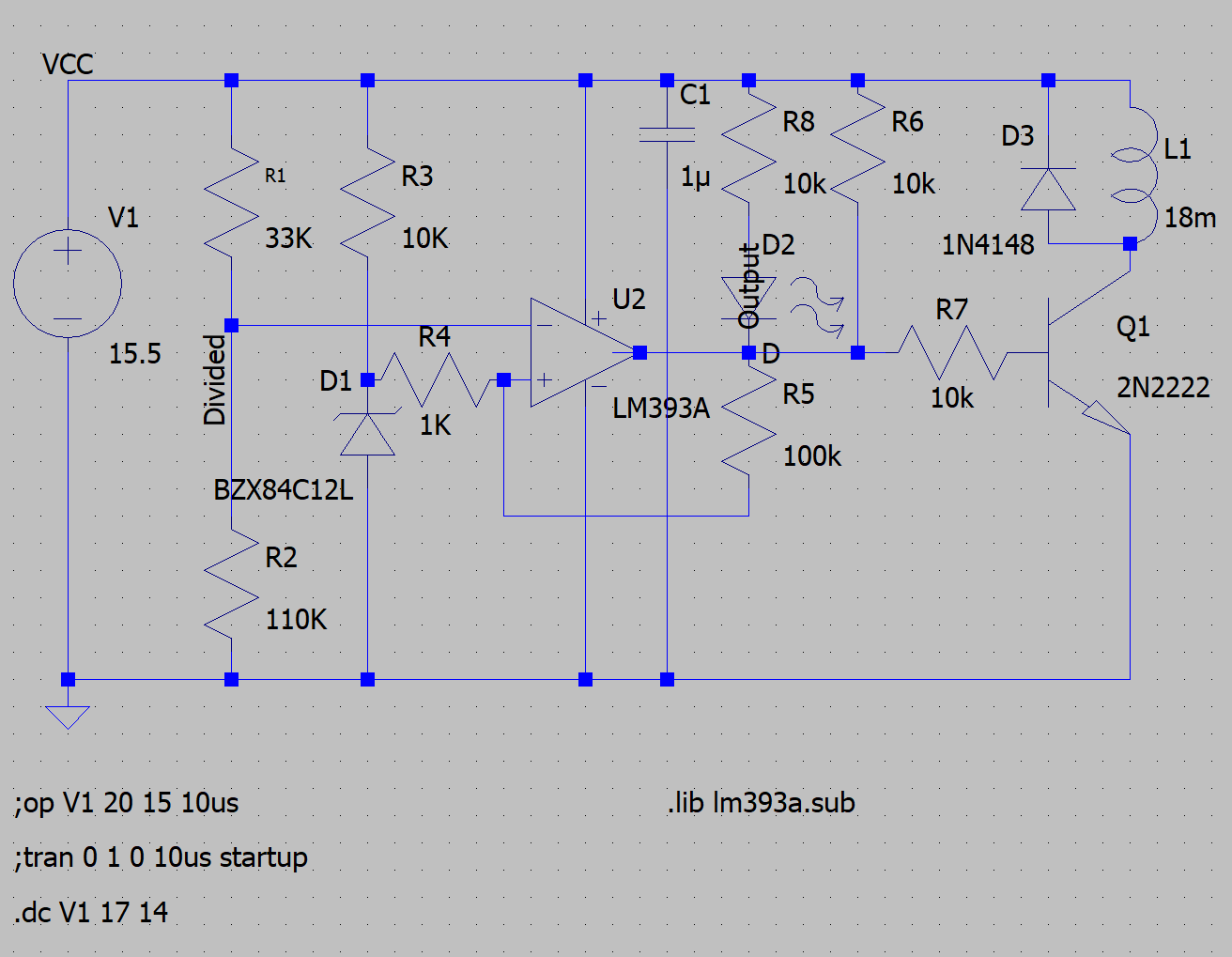
처음 LM393으로 회로 구성을 하려니 전압 divide 처리와, 실제 동작 회로에 자신이 없어(전자공학 전공 아님) 결국 simulator까지 사용하게 되었습니다. 처음 익히기는 어려운데(LT Spice가 공짜라서 현대식 돈 주고 쓰는 web tool과는...) 그래도 배워서 사용했습니다. 아래처럼 회로를 구성했습니다.

동작은 아래처럼 simulation 됩니다.

15.2V 에서 relay를 동작시키게 2N2222 TR을 활성화하고, 약 7V 동작이 되어 relay로 과 전류도 자연스럽게 해결됨! (실 동작은 15.3V가 되게 반고정 저항 1M 사용)
실제 회로 기판은 아래처럼 구성합니다. (빵판 형 만능 기판을 어댑터 내부 실장 크기에 맞춤)

Latching relay를 사용 한 이유
Li-ion을 보호하기 위해 보호 회로가 계속 동작해야 한다면 결국 배터리는 보호되지 못합니다. 이미 판매되는 적지 않은 기성품이 이런 모순을 가지고 있는데, 좀 비싼 초절전 Op-Amp를 사용하여 그에 맞는 대용량 FET를 사용하면 uA급 구성도 가능 하지만 ~ 제가 가진 부품은 값싼 LM393과 전류 많이 먹는 부품들 뿐입니다.
그래서 생각한 것이 동작 시점에 작동하고 전류 사용을 0으로 만들어 버리는 부품을 사용하는 것이죠.
바로 Latching relay입니다. 일반 relay는 On/Off 동작을 바꾸려면 coil을 계속 동작시켜야 합니다. 대용량 relay의 경우 100~200mA 를 계속 흘려주어야 하는데 너무나 많은 소비인데, Latching relay는 On/Off 동작 시점에 잠깐(ms 단위) 동작하는 것으로 끝!
더욱이 제가 사용한 부품은 외부에 스위치도 달려 있습니다. 직접 on 시키고, 전압 부족시에 off 동작 시킴과 동시에 전원 완전 차단이 되는 것이죠.
그런데 이 부품(HFE10-2-12HT-L2) 크기가 엄청납니다 - 40x30x15mm 크기로 배터리 어댑터 내부로는 들어갈 수 없고 위에 부착해야 했고, 어차피 동작용 스위치는 On 시점에 필요해서 자연스럽게 어댑터 우로 부착하여 구성하게 되었네요.
큰 부품 구성
시거짹용 소켓, Latching relay는 한 덩치 하기에 아래 그림처럼 배터리 어댑터 위쪽면에 강력 양면 테이프로 부착을 합니다. 아! 부착 전에 전원선을 잘 연결합니다. 대용량(15A)을 감당할 수 있는 굵은 선을 사용하세요!
그리고 배터리 어댑터 안쪽으로 선을 잘(정말 잘) 연결하여 배터리 연결과 회로 연결까지 마무리합니다.


최종 완성
어댑터(내부 보호회로) + 시거잭 + 릴레이


배터리와 결합 후 실 사용
무려 99W 출력으로 충전 중!
아래 사진의 배터리는 1.5A 배터리라 급속하게 전원 소진으로 자동 cut-off!

어마무시한 7A 초과 전류(무접촉 직류 전류 측정이라 정확도는 떨어짐)

호환 배터리와 연결 (실 용량 20V 3A 급)

위에서 본 모습

정리
처음에 DIY kit 고용량 충전기를 구입하려 했다가 전동공구 배터리 팩을 활용하여 기성품으로 잘 구성하면 재미와 함께 나름의 실용성이 있을 것으로 시작을 하게 되었는데 다행히 의도한 대로 동작도 잘하고, 정말 실용적인 나만의 충전기가 완성되었습니다.
위에 등장한 파란색의 100W 충전(입출력 100W 급)기와 동급의 동작을 보여 주어서 성능 면에서도 합격입니다.
즐 DIY~ 하세요.
'DIY' 카테고리의 다른 글
| [DIY] KENWOOD MJ919 flexible cable replacement (repair) (0) | 2023.04.01 |
|---|---|
| [DIY] DEWALT (디월트) 배터리 팩 만들기 (2) | 2022.09.24 |
| [DIY] 충전식 휴대 가습기 내장 충전지 교환으로 생명 연장 (0) | 2022.05.29 |
| [DIY] 메모리, 블루투스 겸용 스피커 충전지 교환 (0) | 2022.05.29 |
| Datacolor Spyder 4 내부 구성 사진 (고장나도 고칠 것이 없네!) (0) | 2022.05.29 |